How do you stop the engine
How do you stop the engine
Help
Got to be the stupidest question ever posted I bet. I’ve just bought a G4 1939. Kicks up 1st or second kick - how do you stop it? I’m currently turning off the fuel and waiting for her to run out.
There is a little black knob above map light but the doesn’t do anything. Looks like it had an electronic ignition once or someone was fitting one because there is a new coil bracket under seat.
Running on Magneto and distributor
Don’t want to damage anything, so any advice on how to wire a kill switch or if there is one I’m missing or check wiring under tank panel would be appreciated.
It’s the bike I’ve always wanted - I’ve worked on cars and modern bikes but new to magnetos and other black magic
Cheers
Paul
Got to be the stupidest question ever posted I bet. I’ve just bought a G4 1939. Kicks up 1st or second kick - how do you stop it? I’m currently turning off the fuel and waiting for her to run out.
There is a little black knob above map light but the doesn’t do anything. Looks like it had an electronic ignition once or someone was fitting one because there is a new coil bracket under seat.
Running on Magneto and distributor
Don’t want to damage anything, so any advice on how to wire a kill switch or if there is one I’m missing or check wiring under tank panel would be appreciated.
It’s the bike I’ve always wanted - I’ve worked on cars and modern bikes but new to magnetos and other black magic
Cheers
Paul
-
nevhunter
- Holder of a Platinum Anorak

- Posts: 5576
- Joined: Tue May 10, 2011 9:42 am
- Location: Victoria.. Australia.
- Contact:
Re: How do you stop the engine
Earth the primary of the magneto. Nev
Re: How do you stop the engine
Thanks Nev
It’s positive earth I think so what does that mean?
What colour is the lead and where is it? Do I do it near the battery or is there a lower current lead ?
I’ve never seen a magneto before this bike - all my experience repairing bike and cars have had alternators, regulators etc.
Just looking for - it’s the something coloured lead ...put a switch to the ?
A picture would be great
Sorry to be dim
Paul
It’s positive earth I think so what does that mean?
What colour is the lead and where is it? Do I do it near the battery or is there a lower current lead ?
I’ve never seen a magneto before this bike - all my experience repairing bike and cars have had alternators, regulators etc.
Just looking for - it’s the something coloured lead ...put a switch to the ?
A picture would be great
Sorry to be dim
Paul
-
paul_turner
- Holder of a Nylon Anorak

- Posts: 169
- Joined: Mon Apr 04, 2011 7:08 pm
- Location: worcestershire
- Contact:
Re: How do you stop the engine
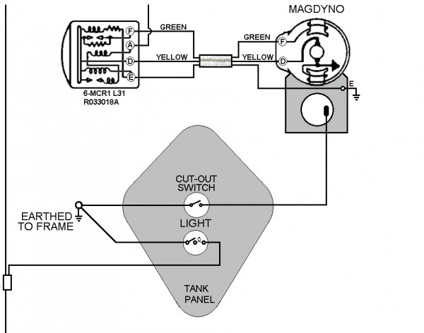
On the panel just above the trouble light should be a knob with two flats on with stop written on turn that through 90 degrees and it earths the mag. , perhaps put a picture of your tank panel to make easier, yours may be different or missing.
Re: How do you stop the engine
Hi Paul
I’ve got the switch on the panel with the flats but turning it doesn’t do anything
I suspect that it’s not connected or something was changed if the tried electronic ignition.
I can remove the panel to look at wiring but don’t know which where any wires go to.
I will post some pictures
The oil feed pipe to the rockers is leaking oil bad when the engine is running it’s the connection to the end of the pipe - anyhow I’m going to figure out if I can reattached it or solder it or whatever- anyway the point is I’d like to be able to test the switch without running the bike - I’ll pick up a fluke meter today - so I can check continuity but between what?
Sorry but of a ramble
I’ve got the switch on the panel with the flats but turning it doesn’t do anything
I suspect that it’s not connected or something was changed if the tried electronic ignition.
I can remove the panel to look at wiring but don’t know which where any wires go to.
I will post some pictures
The oil feed pipe to the rockers is leaking oil bad when the engine is running it’s the connection to the end of the pipe - anyhow I’m going to figure out if I can reattached it or solder it or whatever- anyway the point is I’d like to be able to test the switch without running the bike - I’ll pick up a fluke meter today - so I can check continuity but between what?
Sorry but of a ramble
-
Pete.Silson
- Holder of a Waxed Cotton Anorak

- Posts: 377
- Joined: Fri Sep 16, 2016 11:31 am
- Location: Wanborough, Wiltshire, UK
- Contact:
Re: How do you stop the engine
Paul,
The magneto is earthed by a wire on the bakelite points cap: Unclip the bakelite cap and inside there is a brass/carbon brush: Test for continuity from this brush to the switch contacts and the switch contacts to earth. Also check the magneto body has a good connection to earth - there is a termininal on the body of the magneto next to the points. Pete
The magneto is earthed by a wire on the bakelite points cap: Unclip the bakelite cap and inside there is a brass/carbon brush: Test for continuity from this brush to the switch contacts and the switch contacts to earth. Also check the magneto body has a good connection to earth - there is a termininal on the body of the magneto next to the points. Pete
- Roger Gwynn
- Holder of a Golden Anorak

- Posts: 1955
- Joined: Tue May 28, 2013 11:34 am
- Location: Norwich, UK
- Contact:
Re: How do you stop the engine
Hello Paul, may I recommend that you obtain a copy of the owner's guide for your bike as it contains much useful information. They are available on the club website or the usual outlets.
Roger Gwynn, Membership Secretary, curator of the Machine Register and the works drawings. Director of Draganfly Motorcycles, Craven Equipment and Supreme Motorcycles mostly retired.
-
TonyBaxter
- Holder of a Waxed Cotton Anorak

- Posts: 447
- Joined: Mon Jan 20, 2014 9:03 am
- Contact:
Re: How do you stop the engine
If the bike has a magneto and no earth cap is attached to the end, then the only way to stop is pull the valve lifter lever up. Not quite understanding your post though, does it have an electronic ignition fitted inside the mag? Pictures of your panel and the mag would help.
- markus.nikot
- Holder of a Waxed Cotton Anorak

- Posts: 363
- Joined: Sun Feb 27, 2011 11:18 am
- Location: nr. Frankfurt, Germany
- Contact:
Re: How do you stop the engine
A 4G doesn''t have a valve lifter.
Markus
Markus
AOMCC German Branch Secretary
some Ariel - only Ariel
some Ariel - only Ariel
-
Julian Murphy
- Holder of a Waxed Cotton Anorak

- Posts: 524
- Joined: Fri Aug 14, 2020 1:42 pm
- Contact:
Re: How do you stop the engine
Pull the plug cap off? (In an emergency!!)
Who is online
Users browsing this forum: No registered users and 1 guest
